Tổng quan Rơ le bảo vệ động cơ EOCR-FDE
Rơ le bảo vệ động cơ EOCR-FDE Samwha là một thiết bị bảo vệ tiên tiến, được trang bị bộ vi điều khiển (MCU) tích hợp, mang lại khả năng xử lý thời gian thực và độ chính xác cao. Đây là một giải pháp lý tưởng để bảo vệ động cơ trong các ứng dụng công nghiệp, giúp tăng cường độ tin cậy và hiệu suất hoạt động.

Rơ le bảo vệ kỹ thuật số Schneider EOCR-FDE là thiết bị bảo vệ động cơ khỏi các trường hợp quá dòng, mất dòng, ngắn mạch, kẹt rotor,… Trong bài viết này cùng Thiết bị điện 286 tìm hiểu sâu hơn về Rơ le bảo vệ động cơ EOCR-FDE Schneider này nhé!
Thông số kỹ thuật Máy rơ le bảo vệ động cơ kỹ thuật số EOCR-FDE Schneider
| Tên sản phẩm | Rơ le bảo vệ kỹ thuật số EOCR-FDE Schneider |
| Mã sản phẩm | EOCR-FDE |
| Dòng sản phẩm | EOCR Schneider |
| Điện áp định mức | 110-240VAC/DC |
| Tần số | 50/60 Hz |
| Hiển thị hoạt động | Màn hình LED trên máy |
| Dòng bảo vệ | 0.5-60A |
| Điện năng tiêu thụ | <7VA |
| Reset | Bằng tay/ Tự động |
| Chức năng bảo vệ | Rơ le bảo vệ quá dòng, mất pha, kẹt rotor, tự động khởi động lại |
| Kiểu lắp đặt | Gắn thanh DIN-Rail 35mm hoặc bắt vít |
| Thời gian trễ | 0-200s |
| Thời gian quá dòng | 0.2-30s |
| Thời gian tự động reset | 0.5-20s |
| Tiếp điểm | 1a1b: OC hoặc GR
1a: AL AC250V/3A |
| Kích thước | 70*68*71 mm |
| Tiêu chuẩn | IEC 60947-4-1 |
Kích thước Rơ le bảo vệ động cơ EOCR-FDE Samwha

Tính năng nổi bật mà Relay bảo vệ kỹ thuật số EOCR-FDE mang lại
- Giám sát thời gian hiện tại với độ chính sác tuyệt đối
- Chức năng: Bảo vệ quá dòng, mất pha, thấp pha, kẹt rotor, mất cân bằng dòng điện, chức năng bảo vệ truyền xuống đất,…
- Chức năng giám sát điện áp nâng cao: Khi có dấu hiện điện áp cao, rơ le sẽ tự động báo lại các vấn đề, nhằm bảo vệ các động cơ của mọi gia đình
- Tùy chỉnh thời gian xác đinh, thời gian khởi động, thời gian tắt động cơ
- Rơ le dễ dàng tự đông mã hóa và dễ dàng kết nối với các thiết bị khác
1. Tích hợp sẵn MCU
Với bộ vi điều khiển tích hợp, EOCR-FDE cung cấp khả năng xử lý thông tin một cách nhanh chóng và chính xác, giúp nâng cao hiệu suất bảo vệ động cơ.
2. Màn hình kỹ thuật số thông minh
- Hiển thị chu kỳ tự động dòng điện ba pha: Mỗi pha được hiển thị trên ampe kế kỹ thuật số cách nhau 5 giây, giúp người dùng dễ dàng theo dõi tình trạng hoạt động của động cơ.
- Hiển thị cố định trên một pha: Cho phép người dùng chọn pha cần theo dõi một cách thủ công, mang lại sự linh hoạt trong giám sát.
3. Khắc phục sự cố dễ dàng
- Hiển thị kỹ thuật số nguyên nhân ngắt: Cung cấp thông tin chi tiết về lý do ngắt, giúp người dùng nhanh chóng xác định và khắc phục sự cố.
- Chức năng xác nhận nguyên nhân ngắt lần cuối: Ghi lại 3 nguyên nhân ngắt cuối cùng, giúp người dùng có cái nhìn tổng quan về tình trạng động cơ và các sự cố xảy ra.
4. Chức năng xác nhận hiện tại
- Xác nhận hiện tại khi ngắt: Người dùng có thể xác nhận tình trạng dòng điện ngay cả khi thiết bị đã tắt nguồn, tạo điều kiện thuận lợi cho việc theo dõi và bảo trì.
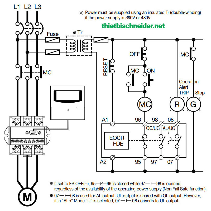
Sơ đồ cầu nối Rơ le bảo vệ động cơ Samwha EOCR-FDE




Các mã sản phẩm của Rơ le bảo vệ EOCR Schneider
| Rơ le bảo vệ kỹ thuật số EOCR Schneider | |
| EOCR-3MSZ | Rơ le bảo vệ EOCR-3MSZ |
| EOCR-FMSZ | Rơ le bảo vệ EOCR-FMSZ |
| EOCR-3DE | Rơ le bảo vệ EOC-3DE |
| EOCR-FDE | Rơ le bảo vệ EOCR-FDE |
| EOCR-3DM2 | Rơ le bảo vệ EOCR-3DM2 |
| EOCR-FDM2 | Rơ le bảo vệ EOCR-FDM2 |
| EOCR-DZ | Rơ le bảo vệ EOCR-DZ |
| EOCR-FEZ | Rơ le bảo vệ EOCR-FEZ |
| EOCR-3MZ2 | Rơ le bảo vệ EOCR-3MZ2 |
| EOCR-FMZ2 | Rơ le bảo vệ EOCR-FMZ2 |
| EOCR-PMZ | Rơ le bảo vệ EOCR-PMZ |
| EOCR-3E420 | Rơ le bảo vệ EOCR-3E420 |
| EOCR-FE420 | Rơ le bảo vệ EOCR-FE420 |
| EOCR-iFM420 | Rơ le bảo vệ EOCR-iFM420 |
| EOCR-iFMS | Rơ le bảo vệ EOCR-iFMS |
| EOCR-i3MS | Rơ le bảo vệ EOCR-i3MS |
| EOCR-i3M420 | Rơ le bảo vệ EOCR-i3M420 |
| EOCR-i3DM | Rơ le bảo vệ EOCR-i3DM |
| EOCR-i3MZ | Rơ le bảo vệ EOCR-i3MZ |
| EOCR-iFDM | Rơ le bảo vệ EOCR-iFDM |
| EOCR-iFMZ | Rơ le bảo vệ EOCR-iFMZ |
Chúng tôi luôn cam kết với Quý khách về việc cung cấp Thiết bị điện Schneider với:
- Sản phẩm chính hãng mới 100%, có đầy đủ CO-CQ.
- Bảo hành: 12 tháng với các lỗi của nhà sản xuất.
- Khách hàng được hỗ trợ kỹ thuật 24/7.
- Hàng luôn có sẵn với số lượng lớn.
- Giao hàng toàn quốc.
Hãy liên hệ ngay cho chúng tôi để mua được Rơ le EOCR Schneider chính hãng với giá cả tốt nhất.
Kết luận
Rơ le bảo vệ động cơ EOCR-FDE Samwha là một sản phẩm không thể thiếu trong các hệ thống tự động hóa hiện đại. Với tính năng bảo vệ đa dạng, màn hình hiển thị thông minh và khả năng khắc phục sự cố dễ dàng, sản phẩm này không chỉ bảo vệ động cơ mà còn giúp người dùng quản lý hiệu suất một cách hiệu quả. Hãy lựa chọn EOCR-FDE để tối ưu hóa an toàn và hiệu suất cho hệ thống của bạn!





Đánh giá
Chưa có đánh giá nào.